[English]
图一
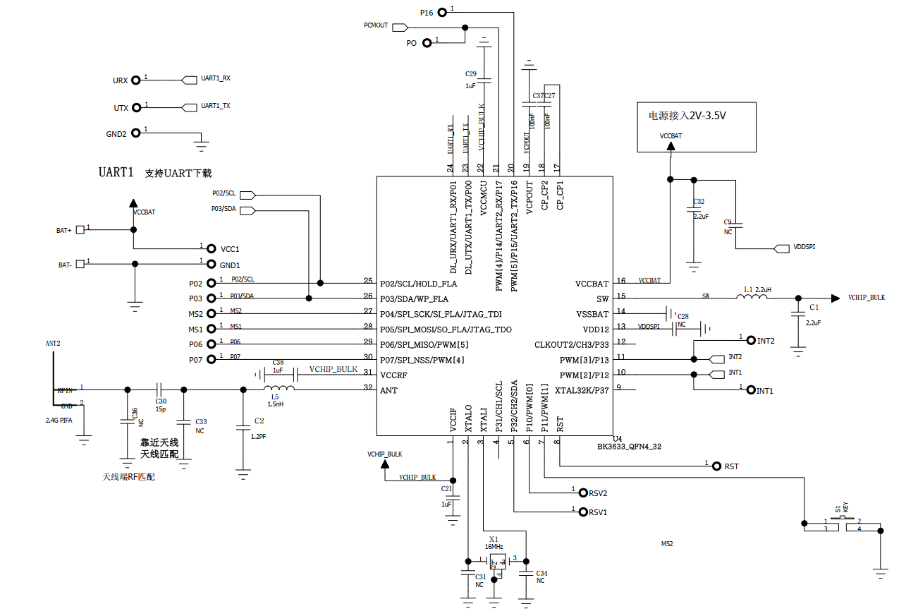
图二
硬件参考设计获取路径: https://docs.bekencorp.com/HW/BK3633/SCH-BK3633_iTag.pdf
Datasheet获取路径: https://docs.bekencorp.com/spec/BK3633/BK3633%20Datasheet.pdf
flash layout